歡迎來訪東莞羞羞答答在线观看羞羞漫画WWW成人漫画樱缸廠家品牌網站!

羞羞答答在线观看32年專注氣動液壓設備

ISO9001認證羞羞漫画WWW成人漫画樱缸廠家
全國定製谘詢熱線
0769-23103048
羞羞漫画WWW成人漫画樱缸設備行業優選品牌!

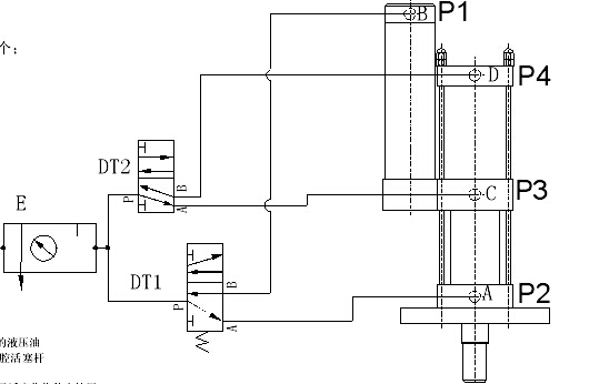
羞羞答答在线观看標準型羞羞漫画WWW成人漫画樱缸氣路連接圖

發布時間:2014-07-26

羞羞答答在线观看標準型羞羞漫画WWW成人漫画樱缸氣路連接說明

一、增壓缸配件
1、ZG3/8”快速接頭4個;
2、1/2”消聲音器2個;
3、二位五通電磁閥2隻;
4、12厘氣管4根(長度適中)

羞羞答答在线观看標準型羞羞漫画WWW成人漫画樱缸氣路連接圖
        羞羞答答在线观看標準型羞羞漫画WWW成人漫画樱缸氣路連接圖

二、動作程序
1、p2p3通氣,此時缸處於回升狀態。
2、p1p3通氣,p2排氣,壓縮空氣作用在儲油桶的液壓油表麵,液壓油驅動預壓腔活塞作位移,並使預壓腔活塞杆軸端的模具抵觸工件。
3、p1斷氣,p4通氣,p3排氣。
,壓縮空氣作用在增壓活塞作位移,去擠壓預壓腔的液壓油,使液壓油膨脹,從而使預壓活塞杆軸段的模具保持高壓力去擠壓成型工作。
4、4.p3進氣,p4排氣。增壓缸增壓活塞回升,增壓活塞到位後,p2氣口進氣,預壓活塞回位,液壓油到儲油桶內,此時,一個動作完成。

版權所有@1992年~2023年 東莞市羞羞答答在线观看氣動液壓設備有限公司 東莞羞羞答答在线观看羞羞漫画WWW成人漫画樱缸品牌
電話:0769-23103048、0769-22013249、傳真:0769-23109526
聯係QQ:2850850515(楊小姐)、2850850511(黃小姐)、2850850512(李小姐)、2850850514(秦先生)
東莞羞羞答答在线观看羞羞漫画WWW成人漫画樱缸廠家地址:廣東省東莞市東城街道峽口沙嶺工業西路21號 郵政編碼:523115
  • 羞羞答答在线观看官方微信
谘詢熱線:
0769-23103048
郵箱:jiurong.goog@163.com
備案號: 粵ICP備24416880號        粵公網安備: 44190002006970號        版權所有:東莞市羞羞答答在线观看氣動液壓設備有限公司           網站地圖
網站地圖