歡迎來訪東莞羞羞答答在线观看羞羞漫画WWW成人漫画樱缸廠家品牌網站!

羞羞答答在线观看32年專注氣動液壓設備

ISO9001認證羞羞漫画WWW成人漫画樱缸廠家
全國定製谘詢熱線
0769-23103048
羞羞漫画WWW成人漫画樱缸設備行業優選品牌!

各種型號羞羞漫画WWW成人漫画樱缸氣路連接圖/動作順序

發布時間:2016-05-03

羞羞答答在线观看各種型號羞羞漫画WWW成人漫画樱缸氣路連接圖/動作順序

一、JRA標準型羞羞漫画WWW成人漫画樱缸氣路連接圖/動作順序

1、JRA標準型羞羞漫画WWW成人漫画樱缸氣路連接圖

羞羞答答在线观看JRA標準型羞羞漫画WWW成人漫画樱缸氣路連接圖

2、JRA標準型羞羞漫画WWW成人漫画樱缸動作順序
(1)、電磁閥DT1通電,氣壓作用在儲油筒液壓油表麵,氣缸段總行程開始向下作位移;
(2)、活塞杆位移遇到阻力,DT1保持,此時DT2通電,增壓段總成開始作位移;
(3)、根據加工工件保壓需要,DT2斷電,此時增壓段總成複位,增壓缸卸壓;
(4)、DT1斷電,氣缸段總成複位,液壓油回位到儲油筒,些時一個動作循環完成。

二、JRAA水平安裝型羞羞漫画WWW成人漫画樱缸氣路連接圖/動作順序

1、JRAA水平安裝型羞羞漫画WWW成人漫画樱缸氣路連接圖

羞羞答答在线观看JRA水平安裝型羞羞漫画WWW成人漫画樱缸氣路連接圖

2、JRAA水平安裝型羞羞漫画WWW成人漫画樱缸動作順序
(1)、電磁閥DT1通電,氣壓作用在儲油筒液壓油表麵,氣缸段總行程開始向下作位移;
(2)、活塞杆位移遇到阻力,DT1保持,此時DT2通電,增壓段總成開始作位移;
(3)、根據加工工件保壓需要,DT2斷電,此時增壓段總成複位,增壓缸卸壓;
(4)、DT1斷電,氣缸段總成複位,液壓油回位到儲油筒,些時一個動作循環完成。

三、JRB力行程可調型羞羞漫画WWW成人漫画樱缸氣路連接圖/動作順序

1、JRB力行程可調型羞羞漫画WWW成人漫画樱缸氣路連接圖

羞羞答答在线观看JRB力行程可調型羞羞漫画WWW成人漫画樱缸氣路連接圖

2、JRB力行程可調型羞羞漫画WWW成人漫画樱缸動作順序
(1)、電磁閥DT1通電,氣壓作用在儲油筒液壓油表麵,氣缸段總行程開始向下作位移;
(2)、活塞杆位移遇到阻力,DT1保持,此時DT2通電,增壓段總成開始作位移;
(3)、根據加工工件保壓需要,DT2斷電,此時增壓段總成複位,增壓缸卸壓;
(4)、DT1斷電,氣缸段總成複位,液壓油回位到儲油筒,些時一個動作循環完成。

四、JRC總行程可調型羞羞漫画WWW成人漫画樱缸氣路連接圖/動作順序

1、JRC總行程可調型羞羞漫画WWW成人漫画樱缸氣路連接圖

羞羞答答在线观看JRC總行程可調型羞羞漫画WWW成人漫画樱缸氣路連接圖

2、JRC總行程可調型羞羞漫画WWW成人漫画樱缸動作順序
(1)、電磁閥DT1通電,氣壓作用在儲油筒液壓油表麵,氣缸段總行程開始向下作位移;
(2)、活塞杆位移遇到阻力,DT1保持,此時DT2通電,增壓段總成開始作位移;
(3)、根據加工工件保壓需要,DT2斷電,此時增壓段總成複位,增壓缸卸壓;
(4)、DT1斷電,氣缸段總成複位,液壓油回位到儲油筒,些時一個動作循環完成。

五、JRD總/力行程可調型羞羞漫画WWW成人漫画樱缸氣路連接圖/動作順序

1、JRD總/力行程可調羞羞漫画WWW成人漫画樱缸氣路連接圖

羞羞答答在线观看JRD總/力行程可調羞羞漫画WWW成人漫画樱缸氣路連接圖

2、JRD總/力行程可調羞羞漫画WWW成人漫画樱缸動作順序
(1)、電磁閥DT1通電,氣壓作用在儲油筒液壓油表麵,氣缸段總行程開始向下作位移;
(2)、活塞杆位移遇到阻力,DT1保持,此時DT2通電,增壓段總成開始作位移;
(3)、根據加工工件保壓需要,DT2斷電,此時增壓段總成複位,增壓缸卸壓;
(4)、DT1斷電,氣缸段總成複位,液壓油回位到儲油筒,些時一個動作循環完成。

六、JRE直壓式羞羞漫画WWW成人漫画樱缸氣路連接圖/動作順序

1、JRE直壓式羞羞漫画WWW成人漫画樱缸氣路連接圖

羞羞答答在线观看JRE直壓式羞羞漫画WWW成人漫画樱缸氣路連接圖

2、JRE直壓式羞羞漫画WWW成人漫画樱缸動作順序
(1)、增壓缸按照上圖氣路連接圖接好之後,打開氣源,此時增壓缸處於回位狀態;
(2)、電磁閥DT1通電,切換氣路使氣壓作用於氣缸活塞使氣缸活塞開始位移,直接開始直壓;
(3)、根據加工工件保壓需要,調節保壓時間,電磁閥DT1斷電,再次切換氣路,使氣缸和油缸同時回位達到初始狀態。至此一個動作循環完畢。

七、JRF快速單列式羞羞漫画WWW成人漫画樱缸氣路連接圖/動作順序

1、JRF快速單列式羞羞漫画WWW成人漫画樱缸氣路連接圖

羞羞答答在线观看JRF快速單列式羞羞漫画WWW成人漫画樱缸氣路連接圖

2、JRF快速單列式羞羞漫画WWW成人漫画樱缸動作順序
(1)、電磁閥DT1通電,氣壓作用在儲油筒液壓油表麵,氣缸段總行程開始向下作位移;
(2)、活塞杆位移遇到阻力,DT1保持,此時DT2通電,增壓段總成開始作位移;
(3)、根據加工工件保壓需要,DT2斷電,此時增壓段總成複位,增壓缸卸壓;
(4)、DT1斷電,氣缸段總成複位,液壓油回位到儲油筒,些時一個動作循環完成。

八、JRG複合式型羞羞漫画WWW成人漫画樱缸氣路連接圖/動作順序

1、JRG複合式羞羞漫画WWW成人漫画樱缸氣路連接圖

羞羞答答在线观看JRG複合式羞羞漫画WWW成人漫画樱缸氣路連接圖

2、JRG複合式羞羞漫画WWW成人漫画樱缸動作順序
(1)、電磁閥DT1通電,氣壓作用在儲油筒液壓油表麵,氣缸段總行程開始向下作位移;
(2)、活塞杆位移遇到阻力,DT1保持,此時DT2通電,增壓段總成開始作位移;
(3)、根據加工工件保壓需要,DT2斷電,此時增壓段總成複位,增壓缸卸壓;
(4)、DT1斷電,氣缸段總成複位,液壓油回位到儲油筒,些時一個動作循環完成。

九、JRM快速型羞羞漫画WWW成人漫画樱缸氣路連接圖/動作順序

1、JRM快速型羞羞漫画WWW成人漫画樱缸氣路連接圖

羞羞答答在线观看JRM快速型羞羞漫画WWW成人漫画樱缸氣路連接圖

2、JRM快速型羞羞漫画WWW成人漫画樱缸動作順序
(1)、電磁閥DT1通電,氣壓作用在儲油筒液壓油表麵,氣缸段總行程開始向下作位移;
(2)、活塞杆位移遇到阻力,DT1保持,此時DT2通電,增壓段總成開始作位移;
(3)、根據加工工件保壓需要,DT2斷電,此時增壓段總成複位,增壓缸卸壓;
(4)、DT1斷電,氣缸段總成複位,液壓油回位到儲油筒,些時一個動作循環完成。

十、JRO預壓式羞羞漫画WWW成人漫画樱缸氣路連接圖/動作順序

1、JRO預壓式羞羞漫画WWW成人漫画樱缸氣路連接圖

羞羞答答在线观看JRO預壓式羞羞漫画WWW成人漫画樱缸氣路連接圖

2、JRO預壓式羞羞漫画WWW成人漫画樱缸動作順序
(1)、電磁閥DT1通電,氣壓作用在儲油筒液壓油表麵,氣缸段總行程開始向下作位移;
(2)、活塞杆位移遇到阻力,DT1保持,此時DT2通電,增壓段總成開始作位移;
(3)、根據加工工件保壓需要,DT2斷電,此時增壓段總成複位,增壓缸卸壓;
(4)、DT1斷電,氣缸段總成複位,液壓油回位到儲油筒,些時一個動作循環完成。

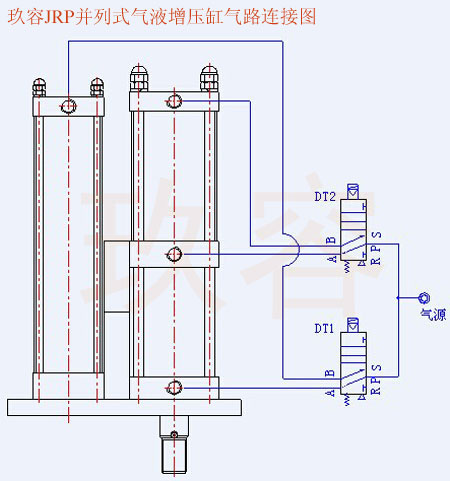
十一、JRP並列式羞羞漫画WWW成人漫画樱缸氣路連接圖/動作順序

1、JRP並列式羞羞漫画WWW成人漫画樱缸氣路連接圖

羞羞答答在线观看JRP並列式羞羞漫画WWW成人漫画樱缸氣路連接圖

2、JRP並列式羞羞漫画WWW成人漫画樱缸動作順序
(1)、電磁閥DT1通電,氣壓作用在儲油筒液壓油表麵,氣缸段總行程開始向下作位移;
(2)、活塞杆位移遇到阻力,DT1保持,此時DT2通電,增壓段總成開始作位移;
(3)、根據加工工件保壓需要,DT2斷電,此時增壓段總成複位,增壓缸卸壓;
(4)、DT1斷電,氣缸段總成複位,液壓油回位到儲油筒,些時一個動作循環完成。

十二、JRT倒裝型羞羞漫画WWW成人漫画樱缸氣路連接圖/動作順序

1、JRT倒裝型羞羞漫画WWW成人漫画樱缸氣路連接圖

羞羞答答在线观看JRT倒裝型羞羞漫画WWW成人漫画樱缸氣路連接圖

2、JRT倒裝型羞羞漫画WWW成人漫画樱缸動作順序
(1)、電磁閥DT1通電,氣壓作用在儲油筒液壓油表麵,氣缸段總行程開始向下作位移;
(2)、活塞杆位移遇到阻力,DT1保持,此時DT2通電,增壓段總成開始作位移;
(3)、根據加工工件保壓需要,DT2斷電,此時增壓段總成複位,增壓缸卸壓;
(4)、DT1斷電,氣缸段總成複位,液壓油回位到儲油筒,些時一個動作循環完成。

版權所有@1992年~2023年 東莞市羞羞答答在线观看氣動液壓設備有限公司 東莞羞羞答答在线观看羞羞漫画WWW成人漫画樱缸品牌
電話:0769-23103048、0769-22013249、傳真:0769-23109526
聯係QQ:2850850515(楊小姐)、2850850511(黃小姐)、2850850512(李小姐)、2850850514(秦先生)
東莞羞羞答答在线观看羞羞漫画WWW成人漫画樱缸廠家地址:廣東省東莞市東城街道峽口沙嶺工業西路21號 郵政編碼:523115
  • 羞羞答答在线观看官方微信
谘詢熱線:
0769-23103048
郵箱:jiurong.goog@163.com
備案號: 粵ICP備24416880號        粵公網安備: 44190002006970號        版權所有:東莞市羞羞答答在线观看氣動液壓設備有限公司           網站地圖
網站地圖