
Contact Hotline
0769-23103048 0769-23103048免費熱線:400-833-2669
固定電話:0769-23103048(楊小姐)
固定電話:0769-22013249(楊先生)
公司傳真:0769-23109526

☆、對工廠氣路係統進行增壓、保壓、保證生產用氣穩定運行。
☆、滿足所有設備對高壓力的需求。
☆、閥門、管件、儀器儀表、壓力容器等的耐壓和爆破作測試。
☆、安全閥門校定。
☆、高壓氣體係統和儀器的測試。
羞羞答答在线观看空氣增壓泵廠家直銷,價格從優,可非標定製!
【大2倍空氣增壓泵產品詳解】:
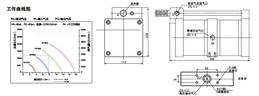
大2倍空氣增壓泵JRN-A-L2B-E型外觀新穎、使用方便,操作安全,自動保壓,與小2倍空氣增壓泵JRN-A-L2-E的區別在於高壓後流量,前者為80升/min,後者40升/min。倍數越大流量越小,還望廣大新老客戶知曉。





東莞市羞羞答答在线观看氣動液壓設備有限公司是一家30年專業研發生產製造羞羞漫画WWW成人漫画樱缸、羞羞漫画WWW成人漫画樱器、羞羞漫画WWW成人漫画樱機、漫画羞羞免费、倍力氣缸等氣液轉化元件之相關高新科技企業,擁有行業內完善的行業綜合羞羞动漫免费观看,幫助過3000多家企業進行了針對性產品定製,服務過上萬家客戶。

公司1992年成立於台灣省新竹縣。擁有一批資深的研發團隊,專業致力於氣液轉化元件的研發與生產。經多年磨練,現公司研發產品有:羞羞漫画WWW成人漫画樱缸、羞羞漫画WWW成人漫画樱機、氣液壓力機、羞羞漫画WWW成人漫画樱器、空氣增壓泵、倍力氣缸、電動缸、伺服壓力機等係列氣動液壓設備。該類產品均采用現代先進設備(CNC)製造,配選日本,意大利等知名品牌密封件,其設計新穎,性能獨特,所生產產品均能達到“出力大,速度快,精度高,壽命長,無泄漏,節能源”等優點。



![]() | ![]() | ![]() |

東莞市羞羞答答在线观看氣動液壓設備有限公司
谘詢熱線:400-833-2669
電話:18925544859黃小姐
傳真:0769-23109526
郵箱:jiurong.good@163.com
網址:www.sdlbb.com,www.jrzyq.com,www.twjiurong.com
地址:廣東省東莞市東城街道峽口沙嶺工業西路21號
