歡迎來訪東莞羞羞答答在线观看羞羞漫画WWW成人漫画樱缸廠家品牌網站!

羞羞答答在线观看32年專注氣動液壓設備

ISO9001認證羞羞漫画WWW成人漫画樱缸廠家
全國定製谘詢熱線
0769-23103048
羞羞漫画WWW成人漫画樱缸設備行業優選品牌!

產品中心

Contact Hotline

0769-23103048 0769-23103048
聯係羞羞答答在线观看

免費熱線:400-833-2669

固定電話:0769-23103048(楊小姐)

固定電話:0769-22013249(楊先生)

公司傳真:0769-23109526

  • 產品名稱:JRM快速型羞羞漫画WWW成人漫画樱缸
  • 作動方式:雙動

    作動條件:4~7kg/cm²壓縮空氣

    液壓抗磨油:VG68#抗磨液壓油

    工作溫度:0~60℃

    操作速度:50~400mm/s

    油缸耐壓:300kg/cm²

    氣缸耐壓:12kg/cm²

    預壓行程公差:+1.00mm 0.00mm

    力行程公差:+0.20mm 0.00mm

    工作頻率:25~45次/min(與行程長短成反比)

    高壓出力:1~40噸

    羞羞答答在线观看廠家直銷,2年免費保修,非標定製!

在線聯係

JRM快速型羞羞漫画WWW成人漫画樱缸

文檔下載:


JRM-63-150-20L-1T.pdf

3D圖

技術谘詢可聯係:0769-23103048(固話)18925540959(手機)

1760335381410599.jpg


【JRM快速型羞羞漫画WWW成人漫画樱缸產品說明:


JRM快速型羞羞漫画WWW成人漫画樱缸缸體細長,動作速度較標準型羞羞漫画WWW成人漫画樱缸快30%,采用油氣隔離設計,液壓油與壓縮空氣嚴格隔離,可用於高頻動作場合,在對縱向長度無較大限製的場合得到廣泛應用。  

【JRM快速型羞羞漫画WWW成人漫画樱缸操作條件:

JRM快速型羞羞漫画WWW成人漫画樱缸操作條件

谘詢熱線:400-833-2669


JRM快速型羞羞漫画WWW成人漫画樱缸產品特點:

1、特殊結構,缸體纖長
2、動作速度快(較標準型增壓缸快30%)
3、使用成本低,操作維護簡單
4、適用於:成型、鉚合、擠壓、彎曲、衝孔、裝配等
5、安裝方式:正裝(前軸向下出力)
6、可非標定製,羞羞答答在线观看羞羞漫画WWW成人漫画樱缸廠家直銷,價格實惠,歡迎選型報價。

【JRM快速型羞羞漫画WWW成人漫画樱缸產品訂購代碼及提升力和理論出力對照表:

JRM快速型羞羞漫画WWW成人漫画樱缸產品訂購代碼
JRM快速型羞羞漫画WWW成人漫画樱缸產品提升力和理論出力對照表
【JRM快速型羞羞漫画WWW成人漫画樱缸產品安裝尺寸表:

JRM快速型羞羞漫画WWW成人漫画樱缸產品安裝尺寸表

【JRM快速型羞羞漫画WWW成人漫画樱缸設計圖:

JRM快速型羞羞漫画WWW成人漫画樱缸設計圖
注:此快速型羞羞漫画WWW成人漫画樱缸設計圖僅僅是舉例,因為不同規格產品外形尺寸有所差異,具體設計圖會在下單時由我司技術給出。羞羞答答在线观看羞羞漫画WWW成人漫画樱缸廠家,到目前為止,已為3000多家企業進行了針對性的產品定製服務,服務過上萬家客戶,歡迎廣大新老客戶選型報價。
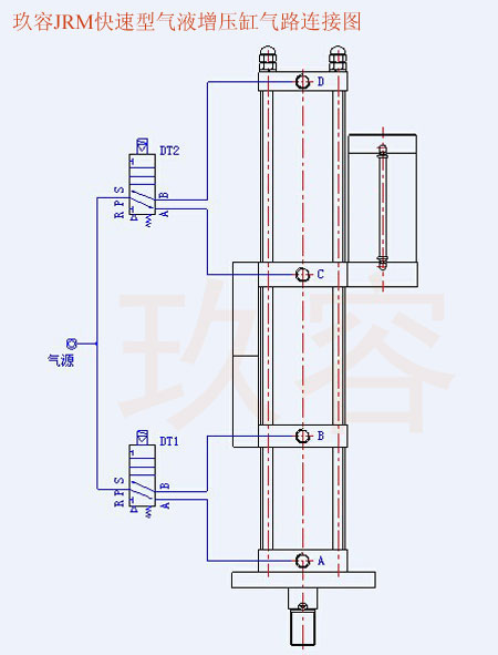
  【JRM快速型羞羞漫画WWW成人漫画樱缸氣路連接圖:

JRM快速型羞羞漫画WWW成人漫画樱缸氣路連接圖 羞羞漫画WWW成人漫画樱缸動作順序:

(1)、電磁閥DT1通電,氣壓作用在儲油筒液壓油表麵,氣缸段總行程開始向下作位移;

(2)、活塞杆位移遇到阻力,DT1保持,此時DT2通電,增壓段總成開始作位移;

(3)、根據加工工件保壓需要,DT2斷電,此時增壓段總成複位,增壓缸卸壓;

(4)、DT1斷電,氣缸段總成複位,液壓油回位到儲油筒,些時一個動作循環完成。

 


我司羞羞漫画WWW成人漫画樱缸均采用進口日本NOK氣封,英國HALLITE油封,台灣內電油缸等精密製造而成,台灣技術,產品從采購到生產出貨均經過嚴格的行業標準執行,出貨前都經過上千次的嚴格測試,從而確保產品的高品質!產品具有結構簡單緊湊,無需液壓係統,使用維護簡便,出力易調整,獨特"軟著陸"不損模及增壓自適應,手動、半自動及全自動控製,無泄漏無噪音,無油壓係統溫升困擾,節能環保(實際能耗相當於油壓係統10~30%甚至更低),2年廠家質保等等優勢,歡迎廣大新老客戶選型報價!

關於羞羞答答在线观看
  
   東莞市羞羞答答在线观看氣動液壓設備有限公司是一家30年專業研發生產製造羞羞漫画WWW成人漫画樱缸、羞羞漫画WWW成人漫画樱器、羞羞漫画WWW成人漫画樱機、漫画羞羞免费、倍力氣缸等氣液轉化元件之相關高新科技企業,擁有行業內完善的行業綜合羞羞动漫免费观看,幫助過3000多家企業進行了針對性產品定製,服務過上萬家客戶。

羞羞答答在线观看廠家
 

  公司1992年成立於台灣省新竹縣。擁有一批資深的研發團隊,專業致力於氣液轉化元件的研發與生產。經多年磨練,現公司研發產品有:羞羞漫画WWW成人漫画樱缸、羞羞漫画WWW成人漫画樱機、氣液壓力機、羞羞漫画WWW成人漫画樱器、空氣增壓泵、倍力氣缸、電動缸、伺服壓力機等係列氣動液壓設備。該類產品均采用現代先進設備(CNC)製造,配選日本,意大利等知名品牌密封件,其設計新穎,性能獨特,所生產產品均能達到“出力大,速度快,精度高,壽命長,無泄漏,節能源”等優點。

羞羞答答在线观看優勢

羞羞答答在线观看4大優勢

榮譽資質

羞羞答答在线观看公司營業執照質量管理體係認證證書中國羞羞漫画WWW成人漫画樱缸優選品牌
聯係羞羞答答在线观看

  

  東莞市羞羞答答在线观看氣動液壓設備有限公司

  谘詢熱線:400-833-2669

  電話:18925544859黃小姐

  傳真:0769-23109526

  郵箱:jiurong.good@163.com

  網址:www.sdlbb.com,www.jrzyq.com,www.twjiurong.com

  地址:廣東省東莞市東城街道峽口沙嶺工業西路21號

版權所有@1992年~2023年 東莞市羞羞答答在线观看氣動液壓設備有限公司 東莞羞羞答答在线观看羞羞漫画WWW成人漫画樱缸品牌
電話:0769-23103048、0769-22013249、傳真:0769-23109526
聯係QQ:2850850515(楊小姐)、2850850511(黃小姐)、2850850512(李小姐)、2850850514(秦先生)
東莞羞羞答答在线观看羞羞漫画WWW成人漫画樱缸廠家地址:廣東省東莞市東城街道峽口沙嶺工業西路21號 郵政編碼:523115
  • 羞羞答答在线观看官方微信
谘詢熱線:
0769-23103048
郵箱:jiurong.goog@163.com
備案號: 粵ICP備24416880號        粵公網安備: 44190002006970號        版權所有:東莞市羞羞答答在线观看氣動液壓設備有限公司           網站地圖
網站地圖